全国可约可空降平台下载,400快不限次数联系方式,全国空降24小时服务联系方式,免费24小时全国空降

欢迎访问,深圳市鸿发顺达壳体有限公司官方网站!

官方微博官方微信鸿发顺达官方微信在线留言

深圳市鸿发顺达壳体有限公司

鸿发顺达

全国咨询服务热线::0755-82579948?

塑胶面框钣金铝制机箱

您是都在搜: 铝型材外壳

按型号搜索:

搜索说明:请输入尺寸范围,如长度在20~30mm之间,只能输入整数数字。

按分类搜索:
选择分类
  • 铝型材外壳
  • 铝制机箱(经济型)
  • 铝制机箱(豪侈型)
  • 塑胶面框钣金铝制机箱
  • 压铸铝信号放大器外壳
  • 压铸铝铝防水盒外壳
  • 钣金机箱
  • CNC机加工铝铣件产品
  • 塑胶防水盒
  • 塑胶台式仪表机箱
  • 塑胶台式外壳
  • 门禁、读卡外壳
  • 网络外壳
  • 手持、便携式外壳
  • 各种通用塑胶外壳
  • 电源、充电器外壳
  • 工具箱
  • 工控盒
  • 导轨电器??楹?/li>
长度: TO
宽度: TO
高度: TO
-->

联系我们

全国咨询热线:0755-82579948?

邮箱:liqing70@263.net
地址:深圳市布吉镇秀峰工业区A1栋,A2栋

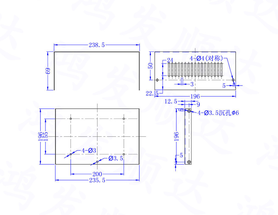
  • HF-D-12        70*240*220mm
  • D-12 (2).jpg
  • D-12 (3).jpg
  • D-12 (4).jpg
  • D-12 (5).jpg
  • D-12 (6).jpg

HF-D-12 70*240*220mm

类别:塑胶面框钣金铝制机箱

简介:简要说明:此产品可用于光电、医疗、仪器仪表等行业,基底部可加内衬的铝、铁板,可安装导规条,支架等,机箱i深度度可任意定制

全国咨询服务热线:0755-82579948?

立即采购在线咨询

  • 产品介绍
简要说明:此产品可用于光电、医疗、仪器仪表等行业,基底部可加内衬的铝、铁板,可安装导规条,支架等,机箱i深度度可任意定制

产品参数:
【产品名称】:钣金、铝制台式机箱
【产品型号】:HF-D-12
【产品材料】:ABS塑料面板、面框+(钣金、铝板)                   
【产品规格】:70*240*220(可变)mm 
【产品颜色】:可根据客户要求任意定制。 
【产品加工】:可根据客户要求任意加工。 

【表面处理】:可做喷粉、喷油、喷塑等处理。




订购:HF-D-12 70*240*220mm

  • 联系人
  • 手机号码
  • 电子邮件
  • 验证码