全国可约可空降平台下载,400快不限次数联系方式,全国空降24小时服务联系方式,免费24小时全国空降

欢迎访问,深圳市鸿发顺达壳体有限公司官方网站!

官方微博官方微信鸿发顺达官方微信在线留言

深圳市鸿发顺达壳体有限公司

鸿发顺达

全国咨询服务热线::0755-82579948?

工具箱

您是都在搜: 铝型材外壳

按型号搜索:

搜索说明:请输入尺寸范围,如长度在20~30mm之间,只能输入整数数字。

按分类搜索:
选择分类
  • 铝型材外壳
  • 铝制机箱(经济型)
  • 铝制机箱(豪侈型)
  • 塑胶面框钣金铝制机箱
  • 压铸铝信号放大器外壳
  • 压铸铝铝防水盒外壳
  • 钣金机箱
  • CNC机加工铝铣件产品
  • 塑胶防水盒
  • 塑胶台式仪表机箱
  • 塑胶台式外壳
  • 门禁、读卡外壳
  • 网络外壳
  • 手持、便携式外壳
  • 各种通用塑胶外壳
  • 电源、充电器外壳
  • 工具箱
  • 工控盒
  • 导轨电器模块盒
长度: TO
宽度: TO
高度: TO

联系我们

全国咨询热线:0755-82579948?

邮箱:liqing70@263.net
地址:深圳市布吉镇秀峰工业区A1栋,A2栋

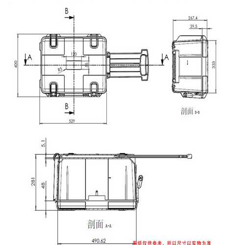
  • HF-P-9    内:490*333*250  外:546*400*280
  • P-9-2.jpg
  • P-9-3.jpg
  • P-9-4.jpg
  • P-9-5.jpg
  • P-9-6.jpg

HF-P-9 内:490*333*250 外:546*400*280

类别:工具箱

简介:广泛用于传媒、公安、消防、军队、航空、户外摄影、野外考察、科学探测等众多领域的高端仪器、仪表。具有高强度、高抗压冲击、防潮、绝对密封、防尘、防水等特点。

全国咨询服务热线:0755-82579948?

立即采购在线咨询

  • 产品介绍

简要说明:广泛用于传媒、公安、消防、军队、航空、户外摄影、野外考察、科学探测等众多领域的高端仪器、仪表。具有高强度、高抗压冲击、防潮、绝对密封、防尘、防水等特点。产品材质:ABS原料,箱体采用高抗冲击的高分子聚合材料一体注塑成型,密封采用扁型弹性发泡密封橡胶条,确保防水气密,所有较轴均采用不锈钢材质。

产品参数:
  【产品型号】:HF-P-9
  【产品名称】:工具箱
  【产品材料】:ABS原料、PP原料
  【产品规格】:内:490*333*250{mm}  
               外:546*400*280{mm}
  【产品颜色】:可根据客户要求任意定制。
  【产品加工】:可根据客户要求进行局部加工。

  【表面处理】:可做喷油、喷涂等处理。



订购:HF-P-9 内:490*333*250 外:546*400*280

  • 联系人
  • 手机号码
  • 电子邮件
  • 验证码